

|
Pin n. |
Mnemonico |
Descrizione |
|
1 |
Rif ( -) |
Ingresso di tensione di riferimento negativo. |
|
2 |
−in |
Invertire l'input. |
|
3 |
+In |
Input non invertibile. |
|
4 |
−v_s |
Tensione di alimentazione negativa. |
|
5 |
Rif (+) |
Ingresso di tensione di riferimento positivo. |
|
6 |
PRODUZIONE |
Produzione. |
|
7 |
+V_s |
Tensione di alimentazione positiva. |
|
8 |
Nc |
Nessuna connessione.Non connettersi a questo pin. |

IL AD8479 L'amplificatore di differenza è notevole per la sua adezione nella gestione delle tensioni ad alte input di input, raggiungendo fino a ± 600 V. Questa capacità lo rende adatto per misurazioni di precisione in cui è richiesta l'accuratezza anche in presenza di grandi tensioni in modalità comune.Il suo design garantisce una notevole resistenza agli ioni V ariat di tensione indesiderati, promuovendo un ambiente di misurazione affidabile.
• L'amplificatore di differenza di precisione AD8479 presenta un intervallo di tensione in modalità comune di ± 600 V, un'uscita da ferro-gara e un guadagno fisso di 1.
• Funziona in un ampio intervallo di alimentazione da ± 2,5 V a ± 18 V, con una corrente di alimentazione tipica di 550 μA.
• L'amplificatore offre eccellenti specifiche CA, incluso un rapporto di rifiuto minimo in modalità comune (CMRR) di 90 dB e una larghezza di banda di 310 kHz.
• Inoltre, vanta un'elevata precisione nelle prestazioni DC, con una non linearità di guadagno massima di 5 ppm, una deriva di tensione di offset non più di 10 μV/° C e una deriva del guadagno massima di 5 ppm/° C.
In situazioni in cui l'isolamento galvanico non è un problema, l'AD8479 presenta una scelta economica al posto di costosi amplificatori di isolamento.Concentrandosi sulle funzionalità, il suo design tiene sotto controllo i costi dei componenti.
Il dispositivo naviga in un ampio spettro di tensioni in modalità comune, offrendo flessibilità tra varie applicazioni esigenti.Fornendo protezione transitoria fino a ± 600 V, supporta la sicurezza operativa e l'affidabilità in ambienti sensibili alle fluttuazioni di tensione.
L'AD8479 vanta caratteristiche come una tensione di offset bassa e una deriva minima, garantendo prestazioni precise e costanti.Il suo sostanziale rapporto di rifiuto in modalità comune (CMRR) attraverso un ampio intervallo di frequenza aumenta la sua affidabilità.Apprezziamo queste caratteristiche quando i sistemi di ingegneria che richiedono misurazioni stabili e accurate in condizioni diverse.
Raccontati in un pacchetto SOIC a 8 lead compatto, l'AD8479 si distingue per il suo design efficiente, funzionando perfettamente attraverso temperature da -40 ° C a +125 ° C.Questa flessibilità si rivela vantaggiosa nei settori in cui l'attrezzatura deve affrontare temperature gravi e mutevoli, comuni nel monitoraggio e negli strumenti di campo di acquisizione dei dati.
Analog Devices Inc. offre il AD8479arz, un amplificatore di strumentazione che esemplifica la precisione con una varietà di caratteristiche tecniche meticolosamente realizzate.Questi attributi sono curati per fornire una miscela armoniosa di prestazioni elevate e affidabilità eccezionale.Ecco le specifiche, gli attributi e i parametri Analog Devices Inc. AD8479arz.
|
Tipo |
Parametro |
|
Stato del ciclo di vita |
Produzione (ultima aggiornamento: 1 settimana fa) |
|
Contattare la placcatura |
Stagno |
|
Tipo di montaggio |
Monte della superficie |
|
Numero di spille |
8 |
|
Temperatura operativa |
-40 ° C ~ 125 ° C. |
|
Codice JESD-609 |
E3 |
|
Stato parte |
Attivo |
|
Numero di terminazioni |
8 |
|
Forma terminale |
Ala del gabbiano |
|
Numero di funzioni |
1 |
|
Time@Peak Reflass Temperature-Max (S) |
30 |
|
Conteggio dei perni |
8 |
|
Tensione di alimentazione operativa |
36v |
|
Analog IC - altro tipo |
Circuito analogico |
|
Corrente di alimentazione nominale |
550µA |
|
Corrente di alimentazione massima |
650µA |
|
Tipo di amplificatore |
Scopo generale |
|
Tensione di ingresso massima |
600v |
|
Corrente di output per canale |
55mA |
|
Guadagnare prodotto a banda |
130 kHz |
|
Rapporto di rifiuto dell'alimentazione (PSRR) |
90db |
|
Temperatura di giunzione massima (TJ) |
150 ° C. |
|
Altezza |
1,75 mm |
|
Larghezza |
4 mm |
|
Indurimento da radiazioni |
NO |
|
Senza piombo |
Contiene piombo |
|
Tempo di consegna della fabbrica |
8 settimane |
|
Montare |
Monte della superficie |
|
Pacchetto / caso |
8-Soic (0,154, 3,90 mm di larghezza) |
|
Numero di elementi |
1 |
|
Confezione |
Tubo |
|
Codice Pbfree |
E3 |
|
Livello di sensibilità all'umidità (MSL) |
3 (168 ore) |
|
Posizione terminale |
Dual |
|
Piccola temperatura di reflow (cel) |
260 |
|
Tensione di alimentazione |
15v |
|
Numero parte base |
AD8479 |
|
Tipo di output |
Rail-to-Rail |
|
Tensione di alimentazione (VSUP) |
2.5v |
|
Corrente di alimentazione operativa |
650µA |
|
Corrente di output |
10a |
|
Tasso di griglia |
8V/µs |
|
Rapporto di rifiuto della modalità comune |
90 dB |
|
Tensione - Fornitura, singolo/doppio (±) |
± 2,5 V ~ 18V |
|
Tensione di offset di ingresso (VOS) |
500 µV |
|
Tensione di alimentazione neg-NOM (VSUP) |
-15v |
|
Tempo di impostazione |
11 µs |
|
Intervallo di temperatura ambiente alto |
125 ° C. |
|
Lunghezza |
5 mm |
|
Raggiungere svhc |
Nessun svhc |
|
Stato ROHS |
Conforme a ROHS |

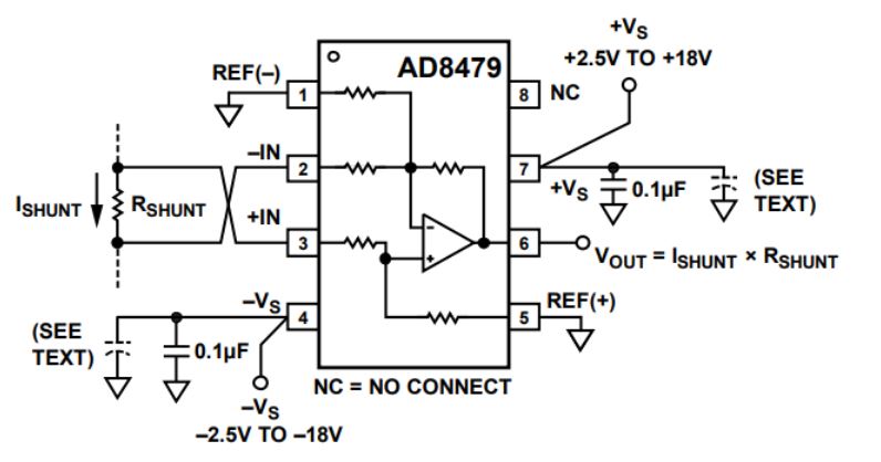
La figura seguente illustra le connessioni necessarie per il funzionamento dell'AD8479 con un alimentatore a doppia.In questa configurazione, una tensione di alimentazione compresa tra ± 2,5 V a ± 18 V viene applicata attraverso il pin 7 (alimentazione positiva) e il pin 4 (alimentazione negativa).Si consiglia di posizionare 0,1 μF di condensatori vicini a questi pin per un efficace disaccoppiamento di ciascuna alimentazione.Se si verifica un rumore a bassa frequenza sull'alimentazione, possono anche stabilizzare ulteriori condensatori elettrolitici da 10 μF, posizionati vicino ai pin di alimentazione.Mentre un singolo set di condensatori da 10 μF può servire più amplificatori, ogni amplificatore AD8479 dovrebbe avere il proprio set dedicato di condensatori 0,1 μF.Ciò garantisce che il punto di disaccoppiamento sia posizionato direttamente sui pin di alimentazione IC, ottimizzando la stabilità e minimizzando le potenziali interferenze.

Il segnale di ingresso differenziale, generalmente generato da una corrente di carico che scorre attraverso una piccola resistenza di shunt, viene applicato al pin 2 e al pin 3 con la polarità mostrata nella figura precedente per ottenere un guadagno positivo.L'AD8479 può ospitare una tensione in modalità comune sull'ingresso differenziale che va da -600 V a +600 V, con una tensione differenziale massima di ± 14,7 V. Se configurato come mostrato, il dispositivo funziona come un semplice guadagno di 1,Amplificatore differenziale a singolo temporale, in cui la tensione di uscita è direttamente proporzionale al prodotto della resistenza allo shunt e della corrente di shunt.Questa uscita viene referenziata rispetto al pin 1 e al pin 5. Per guadagno di unità, il pin 1 (Ref−) e il pin 5 (Ref+) devono essere collegati a un piano di terra a bassa impedenza, garantendo un riferimento a terra stabile e prevenire il degrado in comune-Mode rifiuto.Il pin 8 è un perno senza connessione e dovrebbe rimanere non collegato.
L'AD8479 è un amplificatore da differenziale a singolo con ad esempio da differenziali progettato per rifiutare segnali elevati in modalità comune fino a 600 V con forniture di ± 15 V.Combina un amplificatore operativo di precisione con una rete di resistore abbinata, consentendo di convertire accuratamente piccoli segnali differenziali in un output singolo, anche in presenza di grandi tensioni in modalità comune.Questo design lo rende ideale per applicazioni come il rilevamento corrente e l'acquisizione del segnale ad alta tensione.

Per ottenere il suo elevato intervallo di tensione in modalità comune, l'AD8479 utilizza un divisore di resistenza interno, collegato al pin 3 e al pin 5, che attenua il segnale non invertito di un fattore di 60. Resistori interni sul pin 1 e il pin 2, insieme aLa resistenza di feedback, quindi ripristina il guadagno, producendo un guadagno differenziale di unità.La funzione di trasferimento del dispositivo è data da: vout = v (+in) - v (−in).
Il taglio del wafer laser garantisce una corrispondenza precisa della resistenza, consentendo un forte rifiuto dei segnali in modalità comune amplificando gli input differenziali.Per ridurre al minimo la deriva della tensione di uscita, la fase di ingresso dell'amplificatore OP include transistor super beta, minimizzando la corrente di offset e la deriva correlata alla temperatura, mantenendo bassa il rumore di tensione a causa di un angolo di rumore da 1/f sotto 5 Hz.Inoltre, il guadagno di tensione ad anello aperto dell'amplificatore OP supera i 20 milioni di V/V, con un PSRR di oltre 90 dB, migliorando l'accuratezza e la stabilità del guadagno.
|
|
AD8479arz |
LR645LG-G |
HV9861Alg-G |
HV9910BLG-G |
AD8479BRZ |
|
Produttore |
Analog Devices Inc. |
Tecnologia di microchip |
Tecnologia di microchip |
Tecnologia di microchip |
Analog Devices Inc. |
|
Pacchetto / caso |
8-Soic (0,154, 3,90 mm di larghezza) |
8-Soic (0,154, 3,90 mm di larghezza) |
8-Soic (0,154, 3,90 mm di larghezza) |
8-Soic (0,154, 3,90 mm di larghezza) |
8-Soic (0,154, 3,90 mm di larghezza) |
|
Numero di spille |
8 |
8 |
8 |
8 |
8 |
|
Corrente di output |
10 a |
10 a |
- |
- |
- |
|
Tensione di ingresso massima |
600 v |
600 v |
600 v |
450 v |
450 v |
|
Numero di terminazioni |
8 |
8 |
8 |
8 |
8 |
|
Montare |
Monte della superficie |
Monte della superficie |
Monte della superficie |
Monte della superficie |
Monte della superficie |
|
Raggiungere svhc |
Nessun svhc |
Nessun svhc |
Nessun svhc |
Nessun svhc |
Nessun svhc |
|
Temperatura di riflusso del picco (° C) |
260 |
260 |
260 |
260 |
260 |
A causa della sua precisione e affidabilità nella valutazione dei segnali differenziali, l'AD8479 svolge un ruolo nel rilevamento della corrente ad alta tensione.Gli ambienti industriali si basano su questa precisione per monitorare il consumo di energia, che a sua volta promuove sia l'efficienza operativa che la sicurezza.Ad esempio, all'interno delle griglie elettriche, il rilevamento di ioni V ariat nel flusso di corrente è fondamentale nell'eliminare i sovraccarichi garantendo al contempo l'erogazione di energia ininterrotta.Sfruttiamo queste capacità per sostenere le prestazioni di picco, beneficiando delle caratteristiche di isolamento che proteggono i dati sensibili all'interno di diverse sezioni di circuiti.
Nella tecnologia della batteria, la vigile supervisione della tensione e della corrente dimostra di sostenere l'efficienza e di estendere le durate della vita.L'AD8479 eccelle offrendo misurazioni precise, che aiutano a gestire diversi sistemi di batterie.Questi scenari includono veicoli elettrici, in cui un monitoraggio accurato è sostenuto sia la sicurezza che l'efficienza delle batterie durante l'uso quotidiano.Questo componente riduce abilmente i rischi di surriscaldamento, migliorando la durata della durata delle celle della batteria con un intervento minimo durante la manutenzione di routine, un fattore che rafforza sostanzialmente la sua affidabilità nel tempo.
I vantaggi dell'AD8479 sono evidenti nei sistemi di controllo motorio, in cui la sua precisione supporta il funzionamento efficiente dal punto di vista energetico e aumenta la longevità motoria.I macchinari industriali e l'automazione richiedono meccanismi di controllo stabili e reattivi per ridurre l'usura aumentando la funzionalità.Incorporiamo spesso l'AD8479 con altre parti per progettare sistemi che raggiungono senza sforzo questi obiettivi.Attraverso la calibrazione meticolosa, il componente si integra senza intoppi nei sistemi preesistenti, migliorando così i protocolli di sicurezza e migliorando l'efficienza operativa.
Molti sistemi richiedono un solido isolamento del segnale per prevenire la corruzione dei dati e consentire operazioni sicure.L'AD8479 diventa in questi contesti, in particolare nelle telecomunicazioni in cui il mantenimento di un'integrità del segnale costante è della massima importanza.Isolando le sezioni vulnerabili all'interferenza, il componente garantisce una comunicazione efficace continua con interruzioni minime.Questo approccio fa appello ai professionisti, poiché riduce la dipendenza da elaborati meccanismi di protezione, offrendo invece un metodo semplice ma efficace per garantire la fedeltà dei dati su diverse reti.

I dispositivi analogici sono in prima linea nell'ingegneria del circuito integrato rivoluzionario (IC) dal 1965, fornendo soluzioni trasformative attraverso il vasto panorama dei sistemi elettronici.I loro prodotti progettati in modo abile sono rinomati per tradurre le misurazioni in segnali elettronici altamente accurati, mostrando una storia incrollabile di affidabilità e qualità superiore.
SU DI NOI
Soddisfazione del cliente ogni volta.Fiducia reciproca e interessi comuni.
Guida completa per DS1302 RTC
2024-11-09
La tua guida nel ricetrasmettitore RF NRF52833
2024-11-09
Celebrata per la sua straordinaria capacità di gestire un ampio intervallo di tensione in modalità comune di ingresso, l'AD8479 è su misura per la precisione.Eccelle nella fornitura di accurate misurazioni del segnale differenziale anche di fronte a notevoli tensioni in modalità comune che si estendono fino a ± 600 V. Questa competenza offre un valore sostanziale in sistemi complessi in cui è indispensabile la precisione ad alta tensione.
L'AD8479 emerge come alternativa praticabile agli amplificatori di isolamento costosi quando non viene richiesto l'isolamento galvanico.Questa decisione riduce sostanzialmente i costi negli scenari in cui la misurazione precisa del segnale viene prioritaria senza la complessità aggiuntiva associata all'isolamento.Questa selezione dei componenti rispecchia un equilibrio giudizioso tra efficienza economica e robustezza delle prestazioni.
Raccontati in un pacchetto SOIC a 8 lead a risparmio spaziale, l'AD8479 dimostra prestazioni affidabili attraverso un ampio spettro di temperatura che va da -40 ° C a +125 ° C.Questa ingegneria offre adattabilità e resilienza, rendendolo una scelta astuta per una moltitudine di condizioni ambientali, sia in operazioni di temperatura più elevate che in impostazioni più fredde.
E-mail: Info@ariat-tech.comHK TEL: +852 30501966INSERISCI: Rm 2703 27F Ho King Comm Centre 2-16,
Fa Yuen St MongKok Kowloon, Hong Kong.