


IL AT28C256 è una EEPROM ad alte prestazioni (memoria elettricamente eliminabile e programmabile di sola lettura) con una capacità di 256 kb organizzata come 32.768 parole per 8 bit.Costruito con la tecnologia CMOS non volatile avanzata di Microchip, offre tempi di accesso rapidi fino a 150 ns e consuma solo 440 MW di potenza.Se deselezionata, la corrente di standby CMOS del dispositivo scende a meno di 200 µA.Accesso come RAM statico, l'AT28C256 non richiede componenti esterni per i cicli di lettura o scrittura.Include un registro di pagine a 64 byte che consente di scrivere fino a 64 byte contemporaneamente.
Durante un ciclo di scrittura, l'indirizzo e i dati (fino a 64 byte) sono bloccati internamente, liberando l'indirizzo e il bus dati per altre attività.Il dispositivo scrive automaticamente i dati bloccati utilizzando un timer di controllo interno e il completamento può essere monitorato attraverso il sondaggio di dati su I/O7.Ulteriori caratteristiche includono la correzione degli errori interni per una maggiore resistenza e una conservazione dei dati, una protezione dei dati del software opzionale contro le scritture accidentali e altri 64 byte di EEPROM per scopi di identificazione o monitoraggio del dispositivo.
Con un tempo di accesso a lettura di soli 150 nanosecondi, l'AT28C256 garantisce un rapido recupero dei dati, che si rivela per i sistemi con esigenze di elaborazione in tempo reale.Questo attributo promuove le prestazioni eccezionali negli ambienti digitali, influenzando l'efficienza del sistema fornendo un rapido accesso alle informazioni memorizzate.
Organizzato come 32.768 x 8, l'EEPROM contiene fermo interni che contengono fino a 64 byte per pagina e utilizza un timer di controllo per gestire il processo di scrittura.Questa funzione di scrittura automatica della pagina semplifica gli sforzi di input dei dati in ambienti sensibili al tempo come i sistemi incorporati, il mantenimento della sincronizzazione e il supporto dell'integrità dei dati durante le operazioni.
Offrendo un ciclo di scrittura rapido di 3 ms e un massimo di 10 ms per le scritture di pagina, l'AT28C256 ospita tra 1 e 64 byte per operazione, offrendo flessibilità nella gestione dei dati.Queste operazioni di scrittura accelerate riducono i tempi di inattività del sistema e migliorano la velocità di trasmissione dei dati, influendo benefici sui tempi di risposta nelle applicazioni ad alta intensità di dati.
Il dispositivo visualizza un consumo di energia efficiente con una corrente attiva di 50 Ma e una corrente di standby CMOS a partire da 300 µA.Questo lo rende una scelta adatta per i progetti attenti all'energia, in dispositivi a batteria, garantendo prestazioni ottimali senza un eccessivo uso di energia.
Dotato di sofisticate strategie di protezione dei dati, AT28C256 sfrutta le difese hardware e software, incluso il polling dei dati per verificare il completamento del ciclo di scrittura.Garantire che l'integrità dei dati a lungo termine sia richiesto in aree come i sistemi di dati finanziari e personali, offrendo la garanzia di conservazione dei dati e stabilità in circostanze difficili.
Utilizzando la tecnologia CMOS, l'AT28C256 offre una resistenza fino a 100.000 cicli di scrittura e un decennio di conservazione dei dati in condizioni standard.Tale resilienza si adatta per un uso a lungo termine in campi che richiedono memoria affidabile, come applicazioni mediche o industriali, guadagnando una stima diffusa per la sua solida longevità e affidabilità.
Richiedendo una singola fornitura da 5 V ± 10%, il dispositivo garantisce una compatibilità senza soluzione di continuità con le interfacce CMOS/TTL e rispetta la configurazione del pin a livello di byte JEDEC®.Ciò si adatta perfettamente a diverse configurazioni hardware, sia per i sistemi legacy esistenti sia per i nuovi progetti innovativi, supportando il progresso continuo in più settori tecnologici.
IL AT28C256-15JU, realizzato dalla tecnologia di microchip, si distingue con notevole affidabilità ed efficienza tra diverse applicazioni.La tabella seguente è le specifiche tecniche, gli attributi e i parametri della tecnologia di microchip AT28C256-15JU.
|
Tipo |
Parametro |
|
Tempo di consegna della fabbrica |
7 settimane |
|
Montare |
Monte della superficie |
|
Pacchetto / caso |
32-LCC (J-Lead) |
|
Tipi di memoria |
Non volatile |
|
Confezione |
Tubo |
|
Codice JESD-609 |
E3 |
|
Stato parte |
Attivo |
|
Numero di terminazioni |
32 |
|
Posizione terminale |
Quad |
|
Numero di funzioni |
1 |
|
Terminal Pitch |
1,27 mm |
|
Time@Peak Reflass Temperature-Max (S) |
40 |
|
Tensione di alimentazione operativa |
5v |
|
Interfaccia |
Parallelo, sp |
|
Corrente di alimentazione nominale |
50 mA |
|
Formato di memoria |
Eeprom |
|
Scrivi il tempo di ciclo - parola, pagina |
10ms |
|
Standby Current-Max |
0.0002a |
|
Resistenza |
10000 cicli di scrittura/cancellazione |
|
Tempo di conservazione dei dati |
10 |
|
Polling dei dati |
SÌ |
|
Dimensione della pagina |
64 parole |
|
Lunghezza |
14,1 mm |
|
Raggiungere svhc |
Nessun svhc |
|
Stato ROHS |
ROHS3 conforme |
|
Contattare la placcatura |
Stagno |
|
Tipo di montaggio |
Monte della superficie |
|
Numero di spille |
32 |
|
Temperatura operativa |
-40 ° C ~ 85 ° C TC |
|
Pubblicato |
1997 |
|
Codice Pbfree |
SÌ |
|
Livello di sensibilità all'umidità (MSL) |
2 (1 anno) |
|
Tensione - fornitura |
4.5V ~ 5.5V |
|
Piccola temperatura di reflow (cel) |
245 |
|
Tensione di alimentazione |
5v |
|
Frequenza |
5MHz |
|
Numero parte base |
AT28C256 |
|
APRITENZE |
5v |
|
Dimensione della memoria |
256kb 32K x 8 |
|
Tempo di accesso |
150ns |
|
Interfaccia di memoria |
Parallelo |
|
Densità |
256 kb |
|
Tensione di programmazione |
5v |
|
Scrivi Cycle Time-Max (TWC) |
10ms |
|
Protezione da scrivere |
Hardware/software |
|
Biggle bit |
SÌ |
|
Altezza |
2,79 mm |
|
Larghezza |
11,5 mm |
|
Indurimento da radiazioni |
NO |
|
Senza piombo |
Senza piombo |

|
Numero modello |
Produttore |
Descrizione |
|
5962-8852508ux |
Tecnologie E2V |
Eeprom, 32kx8, 150ns, parallelo, CMOS,
CPGA28, PGA-28 |
|
28C256TRT4DE-15 |
Tecnologie Maxwell |
Eeprom, 32kx8, 150ns, parallelo, CMOS,
Dip-28 |
|
X28C256J-15 |
Xicor Inc |
Eeprom, 32kx8, 150ns, parallelo, CMOS,
PQCC32, plastica, LCC-32 |
|
28C256TRT2DE-15 |
Tecnologie Maxwell |
Eeprom, 32kx8, 150ns, parallelo, CMOS,
Dip-28 |
|
X28C256D-15 |
Xicor Inc |
Eeprom, 32kx8, 150ns, parallelo, CMOS,
CDIP28, sigillato ermetico, cerdip-28 |
|
5962-8852514ux |
Microchip Technology Inc. |
Eeprom, 32kx8, 150ns, parallelo, CMOS,
CPGA28 |
|
AT28C256-15uc |
Atmel Corporation |
Eeprom, 32kx8, 150ns, parallelo, CMOS,
CPGA28, ceramica, PGA-28 |
|
X28C256PMB-15 |
Xicor Inc |
Eeprom, 32kx8, 150ns, parallele, cmos, pdip28,
Plastica, Dip-28 |
|
Ft28c256-15uj |
Force Technologies Ltd |
Eeprom, 32kx8, 150ns, parallelo, CMOS,
PQCC32, verde, plastica, MS-016AE, LCC-32 |
|
X28C256J-15C7000 |
Xicor Inc |
Eeprom, 32kx8, 150ns, parallelo, CMOS,
PQCC32 |
|
|
AT28C256-15JU |
AT28C256F-15JU |
AT28HC256-12JU |
AT28C256E-15JU |
|
Produttore |
Tecnologia di microchip |
Tecnologia di microchip |
Tecnologia di microchip |
Tecnologia di microchip |
|
Pacchetto / caso |
32-LCC (J-Lead) |
32-LCC (J-Lead) |
32-LCC (J-Lead) |
32-LCC (J-Lead) |
|
Numero di spille |
32 |
32 |
32 |
32 |
|
Densità |
256 kb |
256 kb |
256 kb |
256 kb |
|
Tempo di accesso |
150ns |
150ns |
120ns |
150ns |
|
Frequenza |
5 MHz |
5 MHz |
5 MHz |
5 MHz |
|
Interfaccia |
Parallelo, sp |
- |
- |
Parallelo, sp |
|
Tensione di alimentazione |
5 v |
5 v |
5 v |
5 v |
|
Tecnologia |
CMOS |
CMOS |
CMOS |
CMOS |


Immerso nella vibrante città di Chandler, Arizona, Microchip Technology Inc. ha scolpito una nicchia per sé come fronttrunner nelle tecnologie di microcontrollore e semiconduttori analogici.Il loro vasto portafoglio supporta lo sviluppo innovativo del prodotto, l'efficienza dei costi meticolosi e la rapida implementazione del mercato per una vasta e variegata base di clienti internazionali.Questi risultati sono sostenuti da incrollate metodologie di guida tecnica e consegna perfettamente sintonizzate per soddisfare le distinte esigenze dei clienti.La collaborazione con il microchip si traduce spesso in una miscela di conoscenze tecniche ed esecuzione che catalizza una posizione competitiva migliorata.
SU DI NOI
Soddisfazione del cliente ogni volta.Fiducia reciproca e interessi comuni.
Comprensione dell'IR2153: uno sguardo approfondito alle sue caratteristiche, progettazione di circuiti e applicazioni del settore
2024-11-11
Guida completa per DS1302 RTC
2024-11-09
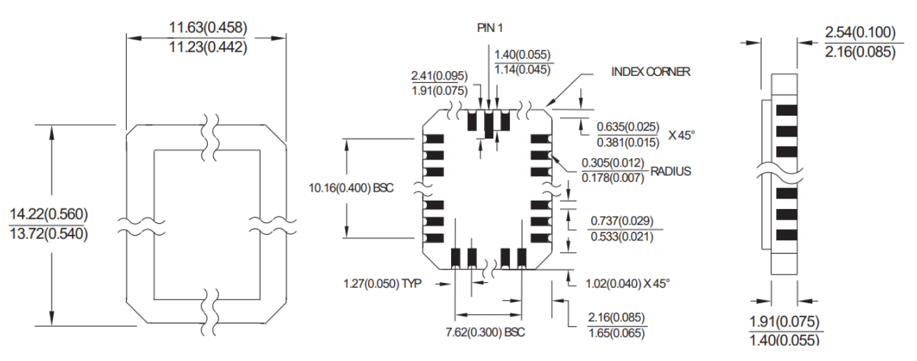
L'AT28C256-15JU ha 32 pin.
L'intervallo di temperatura di funzionamento è da -40 ° C a 85 ° C (TC).
L'AT28C256 opera in modo simile alla RAM statica sia per i cicli di lettura che di scrittura.
L'AT28C256 è una Eeprom ad alte prestazioni con una memoria di 256 kb, organizzata come 32.768 parole per 8 bit.
E-mail: Info@ariat-tech.comHK TEL: +852 30501966INSERISCI: Rm 2703 27F Ho King Comm Centre 2-16,
Fa Yuen St MongKok Kowloon, Hong Kong.