
IL STM8S103F3P6 è un microcontrollore a 8 bit prodotto da stmicroelectronics, rinomato per la sua impressionante funzionalità e l'integrazione senza soluzione di continuità.Questo dispositivo compatto è dotato di uno stile di montaggio del dispositivo montato su superficie (SMD), incarnando un nucleo avanzato e periferiche che sono meticolosamente fabbricate con una tecnologia all'avanguardia.Con una frequenza di clock di 16 MHz, STM8S103F3P6 vanta una solida capacità I/O, garantendo un'elaborazione e una gestione efficienti dei dati.Il suo timer di guardia indipendente, dotato di una fonte di clock indipendente e un sistema di sicurezza dell'orologio, garantisce prestazioni ottimali del dispositivo e resilienza contro potenziali interruzioni.
Una delle sue funzionalità straordinarie è la sua memoria flash, che fornisce archiviazione non volatile per codice e dati.Con un intervallo di tensione operativo che va da 2,95 V a 5,5 V, questo microcontrollore è altamente versatile e adattabile a varie applicazioni.Inoltre, offre un ampio intervallo di temperatura operativa da -40 ° C a 85 ° C, rendendolo adatto per la distribuzione in diverse condizioni ambientali.
• MSP430G2353
• PIC16LF18444T
• STM8S103F3P3
• STM8S103F3P3TR
• STM8S103F3P6TR


Basso consumo di energia: ha una varietà di basse modalità di consumo di energia tra cui scegliere, tra cui la modalità inattiva, la modalità di sospensione, la modalità di sospensione profonda e la modalità Off, che possono estendere efficacemente la durata della batteria e risparmiare energia.
Alte prestazioni: adotta l'architettura Core STM8 ad alte prestazioni, che consente alla frequenza operativa di essere fino a 16 MHz, che migliora notevolmente la velocità di esecuzione delle istruzioni e fornisce capacità di elaborazione più efficienti per le nostre applicazioni.
Interfacce di comunicazione multiple: supporta una varietà di interfacce di comunicazione tra cui SPI (interfaccia periferica seriale), I2C e UART.Attraverso queste interfacce, può facilmente comunicare e interagire con dispositivi esterni per ottenere più funzioni e applicazioni.
Periferiche abbondanti: il microcontrollore STM8S103F3P6 ha abbondanti risorse periferiche, tra cui 16 kb di memoria flash e 1 kb di memoria RAM, nonché interfacce comunemente usate come pin GPIO, timer e UART.La diversità di queste periferiche rende il dispositivo adatto a vari scenari di applicazione e può soddisfare le esigenze di diversi campi e settori.Che si tratti di controllo industriale, casa intelligente o incorporati, STM8S103F3P6 può fornire supporto.

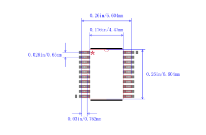
STM8S103F3P6 è confezionato in un sottile pacchetto di contorni di piccole dimensioni (TSSOP) e ha 20 pin.La spaziatura del corpo e del piombo è inferiore ai pacchetti SOIC standard.Una caratteristica tipica di TSSOP è la formazione di pin attorno al chip confezionato, il che lo rende adatto al cablaggio di montaggio su PCB utilizzando la tecnologia SMT.Quando si utilizzano il pacchetto TSSOP, i parassiti dei parassiti (disturbi della tensione di uscita causati da grandi cambiamenti nella corrente) sono più piccoli, quindi sono adatti per applicazioni ad alta frequenza.Questo tipo di pacchetto è più conveniente da operare e ha una maggiore affidabilità.
Il pacchetto TSSOP ha le seguenti funzionalità:
• Spaziatura del perno piccolo: la spaziatura del perno è generalmente 0,5 mm o 0,65 mm.Attraverso la progettazione di barre di rame del circuito, è possibile posizionare più dispositivi sul circuito con la stessa area e dimensioni.
• ampio ambito di applicazione: può essere applicato a vari campi di applicazione come microcontrollori, DSP, chip di memoria e chip di alimentazione.
• Conteggio elevato dei pin: il numero di pin è generalmente da 20 a 64, il che può soddisfare determinati requisiti di integrazione dei chip.
• Dimensione del pacchetto piccolo: rispetto ai pacchetti ordinari piccoli contorni (SO), la dimensione del pacchetto è più piccola, lo spessore è più sottile e il volume è più piccolo, rendendolo adatto per l'imballaggio di circuiti integrati ad alta densità.
• Alte prestazioni: adotta la tecnologia del supporto superficiale, ha una buona conducibilità e resistenza alla corrosione e può soddisfare requisiti speciali come alta velocità, alta frequenza, miniaturizzazione e così via.
Se non diversamente specificato, tutte le tensioni sono indirizzate a VSS.
I valori minimi e massimi sono garantiti nelle condizioni più avverse, comprendendo la temperatura ambiente, la tensione di alimentazione e le frequenze.Queste garanzie sono stabilite attraverso rigorosi test di produzione eseguiti sul 100% dei dispositivi, condotti a una temperatura ambiente di TA = 25 ° C e TA = TAMAX (come definito dall'intervallo di temperatura prescelto).
I valori basati sui risultati della caratterizzazione, le simulazioni di progettazione e/o le caratteristiche tecnologiche sono delineati nelle note a piè di pagina della tabella e non sono stati sottoposti a test di produzione.Per quanto riguarda la caratterizzazione, i valori minimi e massimi riguardano le valutazioni del campione e significano il valore medio con un intervallo di più o meno tre volte la deviazione standard (media ± 3σ).
Se non diversamente indicato esplicitamente, vengono stabiliti dati standard con TA = 25 ° C, VDD = 5 V. Questi valori sono forniti esclusivamente come riferimenti di progettazione e non sono sottoposti a test.
L'accuratezza tipica dei valori ADC viene stabilita attraverso la caratterizzazione di un insieme di campioni da un lotto di diffusione standard attraverso l'intervallo di temperatura completo.In questo contesto, il 95% dei dispositivi mostra un errore entro il valore specificato (media ± 2σ).
Se non specificamente indicato, tutti i grafici standard sono intesi esclusivamente come riferimenti di progettazione e non sono stati soggetti a test.
Il superamento delle valutazioni massime assolute specificate può causare danni permanenti al dispositivo.Queste valutazioni indicano esclusivamente i limiti di sollecitazione che il dispositivo può sopportare e non è implicito che il dispositivo funzionerà correttamente in queste condizioni.L'esposizione alle condizioni a o vicino alle valutazioni massime può influire negativamente sull'affidabilità del dispositivo.
Il profilo di missione del dispositivo, che delinea le sue condizioni di applicazione, aderisce allo standard di qualificazione JEDEC JESD47, con profili di missione estesi disponibili su richiesta.
Per ottenere la stabilità per il regolatore primario, un condensatore esterno etichettato CEXT dovrebbe essere collegato al pin VCAP.È essenziale garantire che l'induttanza della serie rimanga inferiore a 15 NH.
Il consumo attuale è misurato come illustrato nella seguente immagine.

Consumo corrente di approvvigionamento totale in modalità Run
L'MCU è posizionato nelle seguenti condizioni:
• Tutte le periferiche sono disabilitate (l'orologio interrotto dai registri di gate dell'orologio periferico) tranne se indicato esplicitamente.
• Tutti i pin I/O in modalità di input con un valore statico su VDD o VSS (senza carico)
Soggetti alle condizioni operative generali per VDD e TA.

STM8S103F3P6 ha 20 pin, i nomi e le funzioni dei pin sono i seguenti:
PIN1 (PD4/ BEEP/ TIM2_ CH1/ UART1 _CK): porta D4
PIN2 (PD5/ AIN5/ UART1 _TX): porta D5
PIN3 (PD6/ AIN6/ UART1 _RX): porta D6
PIN4 (NRST): reset
PIN5 (Pa1/Oscin): porta A1
PIN6 (PA2/OSCOUT): porta A2
PIN7 (VSS): terreno digitale
PIN8 (VCAP): condensatore del regolatore 1,8 V.
PIN9 (VDD): alimentazione digitale
PIN10 (PA3/ TIM2_ CH3 [SPI_ NSS]): porta A3
PIN11 (PB5/ I2C_ SDA [TIM1_ BKIN]): Porta B5
PIN12 (PB4/ I2C_ SCL): porta B4
PIN13 (PC3/ TIM1_CH3 [TLI] [TIM1_ CH1N]): porta C3
PIN14 (PC4/ CLK_CCO/ TIM1_ CH4/ AIN2/ [TIM1_ CH2N]): porta C4
PIN15 (PC5/ SPI_SCK [TIM2_ CH1]): porta C5
PIN16 (PC6/ SPI_MOSI [TIM1_ CH1]): porta C6
PIN17 (PC7/ SPI_MISO [TIM1_ CH2]): porta C7
PIN18 (PD1/ nuoto): Porta D1
PIN19 (PD2/ AIN3/ [TIM2_ CH3]): porta D2
PIN20 (PD3/ AIN4/ TIM2_ CH2/ ADC_ ETR): porta D3
Come mostrato nella figura sopra, il chip STM8S103F3P6 ha fino a 16 pin I/O, che possono essere utilizzati per una varietà di scopi, come GPIO, interfacce periferiche, ADC, ecc.Utilizzato come pin di input per leggere segnali esterni o come pin di output per inviare segnali a dispositivi esterni.Inoltre, a ciascun pin I/O può essere assegnato in modo indipendente un vettore di interruzione per facilitare l'elaborazione accurata degli interrupt quando si verificano.
• Sistemi di automazione: questo microcontrollore può essere utilizzato in sistemi di automazione come tende elettriche, sistemi di controllo dell'accesso, controllo della temperatura e controllo dell'illuminazione.
• Applicazione IoT (Internet of Things): se dobbiamo sviluppare dispositivi IoT, può essere utilizzato come controller per i nodi IoT per collegare e controllare vari sensori e moduli di comunicazione.
• Dispositivi elettronici personali: utilizzati in fotocamere digitali, giocatori MP3 e MP4, console di gioco elettroniche, ecc.
• Apparecchiature elettroniche: utilizzate per sviluppare varie apparecchiature elettroniche
, come giocattoli elettronici, telecomandi, mini calcolatori, ecc.
• Campo industriale: utilizzato in PLC, controllori industriali, automazione dei processi e attrezzature di controllo automatico della spedizione, ecc.
• Acquisizione dei dati e interfaccia del sensore: utilizzato per monitorare le condizioni ambientali e raccogliere dati o per collegare vari sensori come sensori di luce, sensori di temperatura e sensori di umidità.
• Sistema di controllo incorporato: utilizzato per progettare vari sistemi di controllo incorporati, come elettrodomestici, attrezzature industriali, utensili elettrici, ecc. La sua potenza di elaborazione a 8 bit è sufficiente per molti semplici compiti di controllo.
STM8S103F3P6 è un chip di microcontrollore sviluppato da STMicroelectronics.Appartiene alla famiglia STM8 di microcontrollori a 8 bit ed è ampiamente utilizzato in vari sistemi incorporati e applicazioni IoT.
L'unità microcontrollore STM8S103F3P6 ha una ROM a 640 bit, ADC a 5 canali a 10 bit, RAM da 1KB e con dimensioni della memoria del programma di 8kb.
Possiamo sostituire STM8S103F3P6 con MSP430G2353, PIC16LF18444T, STM8S103F3P3, STM8S103F3P3TR o STM8S103F3P6TR.
Sì, STM8S103F3P6 è progettato con caratteristiche a bassa potenza e può essere utilizzata in applicazioni a batteria o a bassa potenza in cui l'efficienza energetica è essenziale.
Alcune caratteristiche chiave della STM8S103F3P6 includono pin GPIO (input/output), comunicazione UART (ricevitore asincrono universali), comunicazione I2C (circuito integrato), comunicazione SPI (interfaccia periferica seriale), timer e altro ancora.
SU DI NOI
Soddisfazione del cliente ogni volta.Fiducia reciproca e interessi comuni.
Specifiche tecniche della cellula moneta di litio CR2354
2024-08-02
Guida completa al microcontrollore ATMEGA328-PU
2024-08-02
E-mail: Info@ariat-tech.comHK TEL: +852 30501966INSERISCI: Rm 2703 27F Ho King Comm Centre 2-16,
Fa Yuen St MongKok Kowloon, Hong Kong.