
IL V300C12H150BL è un modulo di convertitore DC-DC ad alta efficienza progettato per applicazioni che richiedono soluzioni di potenza affidabili, compatte e ad alta densità.Operando da un ingresso nominale 300V, offre una produzione stabile a 12V con un massimo di 150 W di potenza, rendendolo ideale per i sistemi industriali, di telecomunicazione e di difesa.
Costruito sull'elaborazione avanzata di alimentazione e sulla tecnologia di commutazione ZCS/ZVS ad alta frequenza, questo modulo raggiunge un'eccellente efficienza e prestazioni a basso rumore.Il suo packaging maturo e la progettazione termica garantiscono un funzionamento affidabile anche in ambienti impegnativi, combinando prestazioni con efficacia in termini di costi.
Se sei interessato ad acquistare V300C12H150BL, non esitare a contattarci per prezzi e disponibilità.
|
Modello |
Serie |
Tensione di uscita |
Potenza di uscita |
Fattore di forma |
Caratteristiche notevoli |
|
V300C12H150BL3 |
Micro |
12v |
150 W. |
Quarterio in mattoni |
TRIM USCIO,
Protezione parallelabile e migliorata |
|
V300C12H150bn2 |
Micro |
12v |
150 W. |
Quarterio in mattoni |
Standard
variante, piccola differenza di layout |
|
V300C12H150BS |
Micro |
12v |
150 W. |
Quarterio in mattoni |
Alternativa
Configurazione del pin |
|
V300C12H150 miliardi |
Micro |
12v |
150 W. |
Quarterio in mattoni |
Semplificato
Variante di funzionalità |
|
V300C12H150BF3 |
Micro |
12v |
150 W. |
Quarterio in mattoni |
Diverso
Filtro o abilitazione Caratteristiche |
|
V300C12M150bl |
Mini |
12v |
150 W. |
Mini mattoni |
Stesse specifiche in
Mini formato compatto |

Il diagramma illustra il funzionamento del modulo di base del V300C12H150BL, un modulo di convertitore DC-DC della serie Micro Family.Questo modulo converte l'ingresso CC ad alta tensione in un'uscita CC a bassa tensione regolata utilizzando tecniche di commutazione e controllo avanzate.I componenti chiave in questa configurazione includono condensatori di input/output, un fusibile e i circuiti interni del convertitore, che garantiscono un funzionamento sicuro, a basso rumore ed efficiente.
Il lato di input presenta un file fusibile (F1) per protezione eccessiva, seguita da un condensatore di disaccoppiamento (C1, 0,2µF) per sopprimere i transitori ad alta frequenza.Condensatori C2 e C3 (4.7nf ciascuno) sono posizionati tra le linee di input e il terreno per ridurre ulteriormente EMI condotta.Questi elementi assicurano che la potenza pulita e stabile venga consegnata ai terminali di input interni del convertitore (+In e –in).
Sul lato dell'uscita, condensatori C4 e C5 (anche 4.7NF) Eseguire funzioni simili di filtraggio del rumore, aiutando a mantenere l'integrità del segnale di uscita.L'interno +Out e –out I pin forniscono l'output DC regolamentato, mentre i pin PC, PR e SC rappresentano funzionalità di controllo come Controllo di potenza, riferimento primario e controllo secondario, utilizzato in progetti avanzati a livello di sistema.Per garantire prestazioni ottimali e soppressione dell'EMI, tutti i condensatori (C1 - C5) Deve avere cavi corti e lunghezze di connessione minime, come indicato nella nota di progettazione.

|
NO. |
Funzione |
Etichetta |
|
1 |
+In (input) |
+ |
|
2 |
Primario
Controllare |
PC |
|
3 |
Parallelo |
Pr |
|
4 |
–In (input) |
- |
|
5 |
–Out (output) |
- |
|
6 |
Secondario
Controllare |
Sc |
|
7 |
+Out (output) |
+ |
12vfuori, 150w
|
Parametro |
Min |
Tipo |
Max |
Unità |
Note |
|
Efficienza (standard (efficienza) |
85.5 |
86.6 |
- |
% |
Nominale
ingresso;Carico del 75%;25 ° C. |
|
Ondulazione e
rumore |
- |
200 |
250 |
MV |
P-P;Nominale
ingresso;pieno carico;Larghezza di banda a 20 MHz |
|
Output OVP
set point |
13.7 |
14.3 |
14.9
|
Volt |
25 ° C;riciclare
Tensione di ingresso o PC per il riavvio (> 100 ms OFF) |
|
Dissipazione,
stand-by |
- |
5 |
7.5 |
Watt |
Nessun carico |
|
Carico
regolamento |
- |
± 0,02 |
± 0,02 |
% |
Nessun carico a
pieno carico;Input nominale |
|
Carica corrente |
0 |
- |
12.5 |
Amplificatori |
- |
|
Limite di corrente |
12.7 |
14.4 |
16.3 |
Amplificatori |
Produzione
tensione 95% di nominale |
|
Cortocircuito
attuale |
8.75 |
14.4 |
16.3 |
Amplificatori |
Produzione
voltaggio <250mV |
|
Parametro |
Valutazione |
Unità |
Note |
|
+In a –in
voltaggio |
–0.5 a +410 |
VDC |
- |
|
PC a –in
voltaggio |
–0.5 a +7.0 |
VDC |
- |
|
Pr a –in
voltaggio |
–0.5 a +7.0 |
VDC |
- |
|
SC a –out
voltaggio |
–0.5 a +1.5 |
VDC |
- |
|
Isolamento
voltaggio |
|||
|
In out |
3000 |
VRMS |
Tensione di prova |
|
In base |
1500 |
VRMS |
Tensione di prova |
|
Fuori alla base |
500 |
VRMS |
Tensione di prova |
|
Operativo
Temperatura |
–40 a +100 |
° C. |
Grado H. |
|
Magazzinaggio
Temperatura |
–55 a +125 |
° C. |
Grado H. |
|
Saldatura dei perni
temperatura |
500 [260] |
° F [° C] |
<5sec;
saldatura ad onda |
|
Saldatura dei perni
temperatura |
750 [390] |
° F [° C] |
<7sec;
saldatura manuale |
|
Montaggio
coppia |
5 [0,57] |
in.lbs [n.m] |
6 ciascuno |
|
Parametro |
Valore |
|
Produttore
Numero parte |
V300C12H150BL |
|
Produttore |
Vicor |
|
Categoria |
Optoelettronica |
|
Descrizione |
DC DC
Convertitore 12V 150W |
|
Voltaggio -
Output 1 |
12v |
|
Voltaggio -
Ingresso (min) |
180v |
|
Voltaggio -
Ingresso (max) |
375v |
|
Voltaggio -
Isolamento |
3 kV |
|
Tipo |
Isolato
Modulo |
|
Serie |
Micro (150W) |
|
Potenza (Watts) |
150 w |
|
Attuale -
Output (max) |
12.5A |
|
Efficienza |
85,3% |
|
Operativo
Temperatura |
-40 ° C ~ 100 ° C. |
|
Tipo di montaggio |
Attraverso il buco |
|
Pacchetto /
Caso |
Quarterio in mattoni |
|
Misurare /
Dimensione |
2,28 "l
× 1,45 "W × 0,65" H (57,9 mm × 36,8 mm × 16,5 mm) |
|
Pacchetto |
Massa |
|
Numero di
Output |
1 |
|
Caratteristiche |
Ovp
(Protezione da sovratensione), UVLO (blocco di sottotensione) |
|
Applicazioni |
Ite
(Commerciale) |
|
Prodotto di base
Numero |
V300C12H150 |
• Ampio intervallo di tensione di ingresso: Funziona in modo affidabile da 180 V a 375 V CC, rendendolo adatto per sistemi di bus ad alta tensione.
• Output isolato: Fornisce l'isolamento galvanico tra ingresso e output per una migliore sicurezza e immunità al rumore.
• Resistenza alla sospensione di ingresso: Tollera fino a 400 V per 100 ms, proteggendo da eventi di sovratensione transitoria.
• Risolto l'uscita 12V: Fornisce un'uscita da 12 V regolamentata a 12 V fino a 150 W, con una regolazione stretta ± 0,5% da nessun carico a pieno carico.
• Alta efficienza: Offre un'efficienza fino al 90%, riducendo la perdita di potenza e la dissipazione termica.
• Compatto e basso profilo: Con un'altezza e una densità di potenza da 0,43 pollici (10,9 mm) fino a 90 W/in³, si adatta a applicazioni limitate allo spazio.
• Supporto operativo parallelo: Completamente parallelabile con tolleranza ai guasti N+M, consentendo sistemi di alimentazione scalabili e ridondanti.
• Funzionamento a basso rumore: Utilizza la commutazione ZCS/ZVS ad alta frequenza per un funzionamento silenzioso e ad alte prestazioni.
• Resilienza termica: Mantiene un funzionamento a pieno carico fino a 100 ° C, garantendo l'affidabilità in ambienti difficili.
• Sistemi di automazione industriale: Fornisce potenza 12V isolata e regolata per PLC, sensori e unità di controllo in ambienti di fabbrica ad alta tensione.
• Attrezzatura aerospaziale e di difesa: Utilizzato nell'elettronica mission-critical in cui sono essenziali affidabilità, tolleranza ai guasti e densità ad alta potenza.
• Infrastruttura di telecomunicazioni: Powers Line Sches, moduli di elaborazione del segnale e sottosistemi della stazione base da bus centralizzati da 300 VDC.
• Imaging medico e diagnostica: Supporta circuiti analogici e digitali di precisione in scanner TC, sistemi MRI e strumenti diagnostici con prestazioni a basso rumore.
• Elettronica di veicoli elettrici e ferroviari: Converte il bus CC ad alta tensione a forniture ausiliarie da 12V stabili per moduli di controllo, relè e sistemi di sicurezza.
• Apparecchiatura di prova e misurazione: Offre una potenza pulita e regolata per la strumentazione sensibile e i sistemi di misurazione del grado di laboratorio.
• Sistemi di energia rinnovabile: Utilizzato nelle applicazioni di energia solare e eolica per condizionare la DC da fonti variabili in un'uscita stabile a bassa tensione per l'elettronica a valle.
|
Caratteristica |
V300C12H150BL |
V300C12H150BG3 |
|
Ingresso
Gamma di tensione |
180 - 375 V DC |
180 - 375 V DC |
|
Produzione
Voltaggio |
12v DC |
12v DC |
|
Produzione
Energia |
150 W. |
150 W. |
|
Efficienza |
Fino al 90% |
Fino al 90% |
|
Regolamento
Precisione |
± 0,5% (n
caricare a pieno carico) |
± 0,5% (n
caricare a pieno carico) |
|
Isolamento |
SÌ
(Isolato) |
SÌ
(Isolato) |
|
Ingresso
Sourge Resistenza |
400V per
100 ms |
400V per
100 ms
|
|
Programmabile
Intervallo di output |
10% - 110% |
10% - 110% |
|
Parallelo
Supporto operativo |
SÌ |
SÌ |
|
Colpa
Tolleranza |
Sì (n+m
Ridondanza) |
Sì (n+m
Ridondanza) |
|
Commutazione
Architettura |
ZCS/ZVS |
ZCS/ZVS |
|
Energia
Densità |
Fino a 90 W/in³ |
Fino a 90 W/in³ |
|
Max
TEMP operativa (carico completo) |
100 ° C. |
100 ° C. |
|
Altezza
Sopra il consiglio |
0,43 in (10,9
mm) |
0,43 in (10,9
mm) |
|
Controllo/abilitazione
Caratteristiche |
Di base |
Migliorato
(Controllo on/off, report di guasti) |
|
Produzione
Funzionalità del taglio |
SÌ |
SÌ |
|
Tipico
Applicazioni |
Industriale,
Telecom, medico, ev |
Industriale,
Telecom, medico, ev |

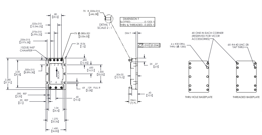
Il disegno del contorno per V300C12H150BL mostra le sue dimensioni meccaniche e le caratteristiche di montaggio, contribuendo a garantire una corretta integrazione in un sistema.Questo modulo convertitore DC-DC utilizza un pacchetto di mattoni di un quarto, misurando approssimativamente 2,28 "(57,9 mm) di lunghezza, 1,45" (36,8 mm) di larghezza e 0,65 " (16,5 mm) di altezza.Il disegno include la spaziatura dettagliata dei pin e le posizioni dei fori di montaggio per supportare versioni a piastra di base a foro e filettate.
Il modulo ha 7 perni elettrici primari disposti lungo la lunghezza del corpo, distanziati precisamente per l'inserimento standard del PCB.Le opzioni di montaggio includono sei fori per l'attacco sicuro, con altri quattro fori riservati in ogni angolo per gli accessori VICOR.Le note indicano anche angoli smussati per l'orientamento e fori scanalati per la regolazione meccanica.
Questi dettagli dimensionali sono utili per garantire la compatibilità meccanica, la gestione termica e le solide connessioni elettriche nei sistemi di alimentazione che utilizzano il modulo V300C12H150BL.

Il diagramma di montaggio PCB per il convertitore DC-DC V300C12H150BL illustra l'impronta meccanica, la spaziatura dei pin e gli stili di montaggio richiesti per una corretta installazione su un circuito stampato (PCB).Il modulo dispone di una configurazione a 7 pin con buchi trasformati a distanza di 0,400 "(10,16 mm), progettata per connessioni saldate affidabili. La finestra PCB garantisce l'isolamento elettrico e consente una gestione termica più facile.
Sono supportati due stili di montaggio: supporto per saldatura a bordo e supporto per saldatura a bordo, ciascuno che offre lunghezze del perno diverse per ospitare vari disegni della scheda.Lo stile a pin corto ha una lunghezza totale del pin di 11,5 mm, mentre lo stile del perno lungo si estende a 13,5 mm, entrambi con un diametro nominale del perno di 2,39 mm.
Il convertitore presenta una piastra di base in alluminio per una maggiore dissipazione del calore ed è disponibile in varie opzioni di placcatura, tra cui stagno/lead, oro o rame a placcatura dorata del modumato, per soddisfare i diversi standard di saldatura e i requisiti di conformità ROHS.Tutti i segni del dispositivo si trovano sulla superficie superiore, garantendo la visibilità dopo l'installazione.Queste specifiche garantiscono un'integrazione sicura e termicamente stabile in sistemi ad alte prestazioni.
Il V300C12H150BL è prodotto da Vicor, un fornitore leader di soluzioni di conversione di potenza ad alte prestazioni.Vicor sfrutta le tecnologie avanzate di elaborazione dell'alimentazione come la commutazione ZCS/ZVS ad alta frequenza per fornire moduli DC-DC compatti, efficienti e affidabili.Conosciuti per la loro architettura modulare, i prodotti VICOR come V300C12H150BL offrono prestazioni termiche solide, alta densità di potenza e compatibilità elettromagnetica superiore.Le loro capacità di produzione includono anche imballaggi di precisione, controllo di qualità rigoroso e conformità con gli standard del settore come le applicazioni ROHS e ITE (commerciale), garantendo un funzionamento affidabile in ambienti impegnativi.
Con la sua vasta gamma di input, l'efficienza eccezionale e il fattore di forma da quarto di mattoni compatti, il V300C12H150BL è una soluzione di potenza versatile per i sistemi ad alta affidabilità.Supportato dalle capacità avanzate di progettazione e produzione di Vicor, questo modulo offre prestazioni scalabili, a basso rumore e termicamente resistenti per una vasta gamma di applicazioni commerciali e industriali.
SU DI NOI
Soddisfazione del cliente ogni volta.Fiducia reciproca e interessi comuni.
Guida completa al relè a stato solido H12D4840DE
2025-07-04
DS2-12A Guida del diodo ad alta tensione del raddrizzatore-Specifiche, usi e alternative
2025-07-03
Il V300C12H150BL supporta una vasta gamma di ingressi da 180 V a 375 V CC, rendendolo ideale per architetture di bus DC ad alta tensione centralizzate nei sistemi industriali e di telecomunicazione.
Sì, supporta il funzionamento parallelo con ridondanza di N+M, consentendo configurazioni di alimentazione scalabili e tolleranti ai guasti.
È progettato per resistere a tensioni di aumento fino a 400 V per 100 ms, proteggendo i componenti interni da condizioni di sovratensione transitoria.
Il montaggio interno posiziona il modulo più basso sul PCB per progetti compatti, mentre il montaggio integrato lo aumenta leggermente per migliorare il flusso d'aria e la gestione termica.
Sì, offre opzioni di PIN placate in oro conforme a ROHS e soddisfa gli standard di qualità di Vicor per l'affidabilità ITE e di livello industriale.
STA8090FGBE-mail: Info@ariat-tech.comHK TEL: +852 30501966INSERISCI: Rm 2703 27F Ho King Comm Centre 2-16,
Fa Yuen St MongKok Kowloon, Hong Kong.